| Sign In | Join Free | My autoplansearch.com |
|
| Categories | Ultrasonic Calibration Blocks |
|---|---|
| Brand Name: | HUATEC |
| Model Number: | IIW V-2 |
| Certification: | ISO,CE,Gost |
| Place of Origin: | China |
| MOQ: | 1 set |
| Payment Terms: | L/C, T/T, Western Union,Paypal |
| Supply Ability: | 100 sets per month |
| Delivery Time: | 3-7 days |
| Packaging Details: | in High quality carton |
| Product name: | NDT CALIBRATION BLOCK |
| Model: | IIW V-2 block |
| Material: | carbon steel 1018 |
| Gross weight: | 1kg |
| Company Info. |
| HUATEC GROUP CORPORATION |
| Verified Supplier |
| View Contact Details |
| Product List |
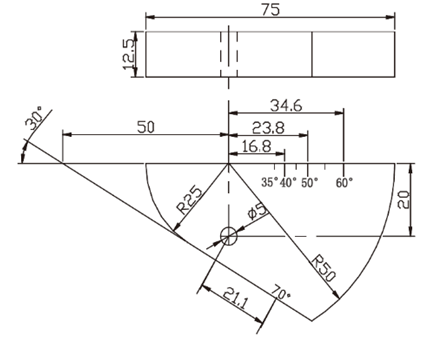
NDT Ultrasonic Flaw Detector CALIBRATION BLOCK carbon steel 1018 IIW V2 calibration block
Standard: ISO7963-2010
IIW2 test block (V-2 test block) is the standard test block approved by the International Welding Society. V-2 (DIN54122) compared with IIW test block, V-2 test block has the advantages of light weight and easy to carry, especially suitable for field use. See Figure 1-2.
Main Points of use:
(1) The incident point and sensitivity margin of the inclined probe were measured by using an arc reflection surface with a radius of R50mm;
(2) Using the reflection surface of 5-pass hole, the refraction range of tilt probe is 45°-65° and 65°-75°, respectively.
(3) The horizontal and vertical linearity of the flaw detector can be measured by using multiple p-wave reflections of the bottom with a thickness of 12.5mm;
(4) Two arc surfaces, R25 and R50, are used to correct the time axis and zero point.



|